行業應用分類
蝕刻精密金屬類
- 電子五金蝕刻加工
- LED支架|LED載板|狹縫片|充電柵網|鉬片|不銹鋼狹縫|半導體蝕刻|光學縫隙|散熱金屬網|精密光柵|熱熔膠噴片|墊片|墊圈|光電編碼器|蝕刻光學元件|電極針|接觸片|蝕刻防塵網|蝕刻激光打印機配件|引線框架|掩模板|碼盤|蒸鍍罩|微孔加工|防蟲網|貼膜蝕刻|無連接點蝕刻|線性馬達彈片|消電鋼片|彈簧片
- 五金蝕刻
- 密集孔加工|過濾網|花灑片|五金蝕刻加工|儀器面板|金屬蝕刻|不銹鋼蝕刻|濾網|鐘表配件|蝕刻網|不銹鋼點陣|點陣磨擦片|喇叭網蝕刻|狹縫光柵|不銹鋼孔板|銘牌蝕刻|標牌腐蝕|蝕刻LOGO|工藝品蝕刻|刨刀片|模型蝕刻片|閥門墊片|調整墊片|去死皮刮片|不銹鋼篩網|不銹鋼治具|磨腳器|布線板|燈罩腐蝕|燈罩網
- 精密零件蝕刻加工
- 層疊墊片|金屬墊片|可撕墊片|多孔板|小孔加工|精密蝕刻零件|醫用刀片|纖維噴片|高端蝕刻產品|手術刀片|蝕刻加工|高端不銹鋼蝕刻|檢波器彈簧片|物探彈簧片|汽車迎賓踏板|蝕刻零件|遮光片|美容微針|發熱電阻絲|止退墊圈|過濾網片
SMT激光鋼網類



復印機充電針主要用于替代充電絲,使充電柵充電更均勻[更多]

復印機充電鋼片主要是對復印機充電鼓進行充電使墨粉更均勻[更多]

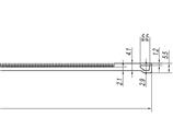
充電電極針主要用于復印機充電,是在光導上形成靜電潛像的前提條件[更多]

梳形電極針主要應于用復印機,打印機辦公設備的關鍵部件[更多]





